悟空WUKONG(中国)
产品中心
非接触式位移传感器
激光位移传感器
光电开关
光电传感器NS系列
智能光纤传感器MS系列
67系列-槽型光电传感器
45系列-超小型光电传感器
接触式位移传感器
电阻
光栅接触式位移传感器
轮廓扫描仪
激光3D轮廓相机-58系列
激光3D轮廓相机-57系列
双目相机
EE60双目相机
智能芯片
2.4G无线射频收发芯片
马达驱动芯片
解决方案
新闻资讯
关于我们
联系我们
悟空WUKONG(中国)
产品中心
解决方案
新闻资讯
关于我们
联系我们
请输入您搜索的关键词
联系
咨询
悟空WUKONG(中国)
.
产品中心
.
智能芯片
马达驱动芯片
马达驱动芯片
简单易用
便宜又好用
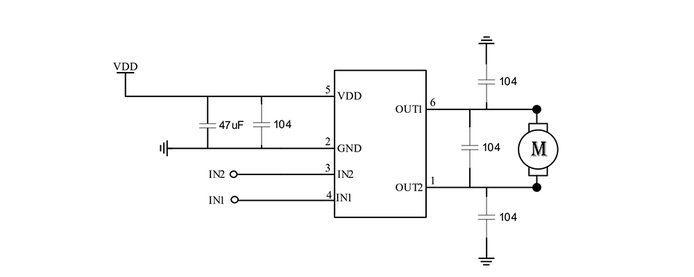
马达驱动芯片的典型应用:
技术参数
配件
软件
下载专区
应用
马达驱动芯片
产品型号
工作电压
通道
持续/峰值电流
控制方式
导通阻抗
类型
封装
DC152
2-4.5V
1
1.1A/2.5A
PWM
0.5Ω
直流
SOP8/SOT23-6
DC1183
2-4V
1
1A/1.7A
PWM
0.5Ω
直流
SOP8/SOT23-6
DC1185
2-6V
1
1A/1.7A
PWM
0.5Ω
直流
SOP8/SOT23-6
DC152规格书0.4
DC1183规格书
DC1185规格书
电动牙刷
电动风扇
水泵
照明灯具
同步电机
od网页版入口
|
米兰体育app(MILAN SPORTS)官方网站
|
利记官网地址
|
fb体育网站
|
问鼎网页版入口登录
|
开云电子app
|
冠军体育平台在线登录
|
Y1体育
|
开云链接官网
|